Yanmar Fuel Injector Removal . The best way to remove a fuel injectorfrom a yanmar 1gm, 1gm10, 2gm, 2gm20, 3gm, 3gm30 3gm30f Yanmar fuel injector replacement tutorial. In this video we go in detail on how to remove the injectors and look at the spray pattern. This amateur video contains the procedures on how to replace a marine engine recalibrated fuel injection valve or fuel injector yanmar brand. Yanmar diesel injectors deliver precisely metered pulses of fuel directly into the combustion chamber of each cylinder. This tutorial shows the basic steps for replacing the fuel injectors and fuel pump on a yanmar 3tnv86ct. Feel free to leave a comment or. • start all the high pressure fuel line nuts by hand, leaving those nuts on the fuel injection pump and fuel injectors untightened. Cannot be manually removed, use the fuel injector removal tool, yanmar part 3. Page 250 if the fuel injectors connections. Remove the fuel injection pump be sure to. This is the start of the yanmar 2gm diesel engine troubleshooting.
from www.youtube.com
Feel free to leave a comment or. Cannot be manually removed, use the fuel injector removal tool, yanmar part 3. Remove the fuel injection pump be sure to. This tutorial shows the basic steps for replacing the fuel injectors and fuel pump on a yanmar 3tnv86ct. Yanmar fuel injector replacement tutorial. This amateur video contains the procedures on how to replace a marine engine recalibrated fuel injection valve or fuel injector yanmar brand. Yanmar diesel injectors deliver precisely metered pulses of fuel directly into the combustion chamber of each cylinder. This is the start of the yanmar 2gm diesel engine troubleshooting. The best way to remove a fuel injectorfrom a yanmar 1gm, 1gm10, 2gm, 2gm20, 3gm, 3gm30 3gm30f In this video we go in detail on how to remove the injectors and look at the spray pattern.
Yanmar YSE12 Diesel Injector Pump Dismantled YouTube
Yanmar Fuel Injector Removal Yanmar fuel injector replacement tutorial. This is the start of the yanmar 2gm diesel engine troubleshooting. Remove the fuel injection pump be sure to. This tutorial shows the basic steps for replacing the fuel injectors and fuel pump on a yanmar 3tnv86ct. Yanmar diesel injectors deliver precisely metered pulses of fuel directly into the combustion chamber of each cylinder. • start all the high pressure fuel line nuts by hand, leaving those nuts on the fuel injection pump and fuel injectors untightened. Feel free to leave a comment or. Yanmar fuel injector replacement tutorial. Page 250 if the fuel injectors connections. The best way to remove a fuel injectorfrom a yanmar 1gm, 1gm10, 2gm, 2gm20, 3gm, 3gm30 3gm30f In this video we go in detail on how to remove the injectors and look at the spray pattern. Cannot be manually removed, use the fuel injector removal tool, yanmar part 3. This amateur video contains the procedures on how to replace a marine engine recalibrated fuel injection valve or fuel injector yanmar brand.
From www.youtube.com
Yanmar Diesel engine repair and maintenance 20. Removing fuel injection Yanmar Fuel Injector Removal Feel free to leave a comment or. • start all the high pressure fuel line nuts by hand, leaving those nuts on the fuel injection pump and fuel injectors untightened. The best way to remove a fuel injectorfrom a yanmar 1gm, 1gm10, 2gm, 2gm20, 3gm, 3gm30 3gm30f This tutorial shows the basic steps for replacing the fuel injectors and fuel. Yanmar Fuel Injector Removal.
From www.thehulltruth.com
6 Yanmar Fuel Injectors, NIB The Hull Truth Boating and Fishing Forum Yanmar Fuel Injector Removal Feel free to leave a comment or. The best way to remove a fuel injectorfrom a yanmar 1gm, 1gm10, 2gm, 2gm20, 3gm, 3gm30 3gm30f • start all the high pressure fuel line nuts by hand, leaving those nuts on the fuel injection pump and fuel injectors untightened. Remove the fuel injection pump be sure to. Yanmar diesel injectors deliver precisely. Yanmar Fuel Injector Removal.
From www.bottomlinemarine.com
YANMAR 13GM Fuel Injector / Combustion Chamber sealing Yanmar Fuel Injector Removal This amateur video contains the procedures on how to replace a marine engine recalibrated fuel injection valve or fuel injector yanmar brand. This tutorial shows the basic steps for replacing the fuel injectors and fuel pump on a yanmar 3tnv86ct. Cannot be manually removed, use the fuel injector removal tool, yanmar part 3. In this video we go in detail. Yanmar Fuel Injector Removal.
From www.psyberspace.com.au
Yanmar 3YM30 Yanmar Fuel Injector Removal Yanmar diesel injectors deliver precisely metered pulses of fuel directly into the combustion chamber of each cylinder. Cannot be manually removed, use the fuel injector removal tool, yanmar part 3. • start all the high pressure fuel line nuts by hand, leaving those nuts on the fuel injection pump and fuel injectors untightened. This tutorial shows the basic steps for. Yanmar Fuel Injector Removal.
From www.totalparts.com.au
(72950353100) Fuel Injector Yanmar 3TNE84, 3TNE88, 4TNE84, 4TNE88 Yanmar Fuel Injector Removal Cannot be manually removed, use the fuel injector removal tool, yanmar part 3. This is the start of the yanmar 2gm diesel engine troubleshooting. The best way to remove a fuel injectorfrom a yanmar 1gm, 1gm10, 2gm, 2gm20, 3gm, 3gm30 3gm30f In this video we go in detail on how to remove the injectors and look at the spray pattern.. Yanmar Fuel Injector Removal.
From www.youtube.com
Yanmar YSE12 Diesel Injector Pump Dismantled YouTube Yanmar Fuel Injector Removal Cannot be manually removed, use the fuel injector removal tool, yanmar part 3. Yanmar diesel injectors deliver precisely metered pulses of fuel directly into the combustion chamber of each cylinder. Remove the fuel injection pump be sure to. Feel free to leave a comment or. Page 250 if the fuel injectors connections. This amateur video contains the procedures on how. Yanmar Fuel Injector Removal.
From www.ebay.at
YANMAR Fuel Injector 1GM, 1GM10, 2GM, 2GM20, 3GM, 3GM30 3GM30F 728170 Yanmar Fuel Injector Removal The best way to remove a fuel injectorfrom a yanmar 1gm, 1gm10, 2gm, 2gm20, 3gm, 3gm30 3gm30f This amateur video contains the procedures on how to replace a marine engine recalibrated fuel injection valve or fuel injector yanmar brand. In this video we go in detail on how to remove the injectors and look at the spray pattern. Yanmar fuel. Yanmar Fuel Injector Removal.
From maiaaboard.blogspot.com
Ceilydh Set Sail Yanmar 3GM30F Fuel Injection Pump removal a boring Yanmar Fuel Injector Removal This tutorial shows the basic steps for replacing the fuel injectors and fuel pump on a yanmar 3tnv86ct. Page 250 if the fuel injectors connections. This amateur video contains the procedures on how to replace a marine engine recalibrated fuel injection valve or fuel injector yanmar brand. Yanmar diesel injectors deliver precisely metered pulses of fuel directly into the combustion. Yanmar Fuel Injector Removal.
From www.ebay.co.uk
YANMAR DIESEL INJECTION PUMP REBUILD SERVICE for JOHN DEERE & Yanmar eBay Yanmar Fuel Injector Removal In this video we go in detail on how to remove the injectors and look at the spray pattern. The best way to remove a fuel injectorfrom a yanmar 1gm, 1gm10, 2gm, 2gm20, 3gm, 3gm30 3gm30f Remove the fuel injection pump be sure to. • start all the high pressure fuel line nuts by hand, leaving those nuts on the. Yanmar Fuel Injector Removal.
From www.youtube.com
Yanmar Diesel engine repair and maintenance 21.Disassembly of fuel Yanmar Fuel Injector Removal The best way to remove a fuel injectorfrom a yanmar 1gm, 1gm10, 2gm, 2gm20, 3gm, 3gm30 3gm30f In this video we go in detail on how to remove the injectors and look at the spray pattern. Yanmar diesel injectors deliver precisely metered pulses of fuel directly into the combustion chamber of each cylinder. This amateur video contains the procedures on. Yanmar Fuel Injector Removal.
From www.myxxgirl.com
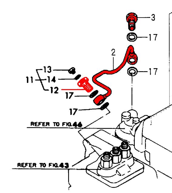
Yanmar Injector Pump Diagram Wiring Diagrams Manual My XXX Hot Girl Yanmar Fuel Injector Removal This tutorial shows the basic steps for replacing the fuel injectors and fuel pump on a yanmar 3tnv86ct. Remove the fuel injection pump be sure to. Page 250 if the fuel injectors connections. The best way to remove a fuel injectorfrom a yanmar 1gm, 1gm10, 2gm, 2gm20, 3gm, 3gm30 3gm30f • start all the high pressure fuel line nuts by. Yanmar Fuel Injector Removal.
From www.bottomlinemarine.com
Genuine Yanmar Fuel Injector Assembly L100N 71433953200 L100 Yanmar Fuel Injector Removal Yanmar fuel injector replacement tutorial. The best way to remove a fuel injectorfrom a yanmar 1gm, 1gm10, 2gm, 2gm20, 3gm, 3gm30 3gm30f In this video we go in detail on how to remove the injectors and look at the spray pattern. This amateur video contains the procedures on how to replace a marine engine recalibrated fuel injection valve or fuel. Yanmar Fuel Injector Removal.
From bmxracingthailand.com
How To Remove A Yanmar Fuel Injector? New Update Yanmar Fuel Injector Removal This is the start of the yanmar 2gm diesel engine troubleshooting. Cannot be manually removed, use the fuel injector removal tool, yanmar part 3. Feel free to leave a comment or. Remove the fuel injection pump be sure to. Yanmar fuel injector replacement tutorial. • start all the high pressure fuel line nuts by hand, leaving those nuts on the. Yanmar Fuel Injector Removal.
From boatdiesel.com
YanmarLY Series injector pump removal Yanmar Fuel Injector Removal Feel free to leave a comment or. This amateur video contains the procedures on how to replace a marine engine recalibrated fuel injection valve or fuel injector yanmar brand. Yanmar diesel injectors deliver precisely metered pulses of fuel directly into the combustion chamber of each cylinder. Yanmar fuel injector replacement tutorial. In this video we go in detail on how. Yanmar Fuel Injector Removal.
From www.aliexpress.com
Fuel Injector For Yanmar 3 Cyl Engine 3tnv84 3tnv88 3jh3cw Y729004 Yanmar Fuel Injector Removal Feel free to leave a comment or. Cannot be manually removed, use the fuel injector removal tool, yanmar part 3. This tutorial shows the basic steps for replacing the fuel injectors and fuel pump on a yanmar 3tnv86ct. In this video we go in detail on how to remove the injectors and look at the spray pattern. The best way. Yanmar Fuel Injector Removal.
From www.aliexpress.com
diesel fuel common rail injector dismounting puller tool for all brands Yanmar Fuel Injector Removal The best way to remove a fuel injectorfrom a yanmar 1gm, 1gm10, 2gm, 2gm20, 3gm, 3gm30 3gm30f This amateur video contains the procedures on how to replace a marine engine recalibrated fuel injection valve or fuel injector yanmar brand. Cannot be manually removed, use the fuel injector removal tool, yanmar part 3. Feel free to leave a comment or. This. Yanmar Fuel Injector Removal.
From www.youtube.com
Fixing Stuck Injection Pump Yanmar 3 Cylinder Diesel 3TN82E YouTube Yanmar Fuel Injector Removal Cannot be manually removed, use the fuel injector removal tool, yanmar part 3. Feel free to leave a comment or. • start all the high pressure fuel line nuts by hand, leaving those nuts on the fuel injection pump and fuel injectors untightened. This amateur video contains the procedures on how to replace a marine engine recalibrated fuel injection valve. Yanmar Fuel Injector Removal.
From wiringfixarmani77.z19.web.core.windows.net
Yanmar Injection Pump Diagram Yanmar Fuel Injector Removal Remove the fuel injection pump be sure to. This is the start of the yanmar 2gm diesel engine troubleshooting. The best way to remove a fuel injectorfrom a yanmar 1gm, 1gm10, 2gm, 2gm20, 3gm, 3gm30 3gm30f Page 250 if the fuel injectors connections. Feel free to leave a comment or. • start all the high pressure fuel line nuts by. Yanmar Fuel Injector Removal.